Most grips, including vise, wedge, rope and thread, and pinching, offer both manual and pneumatic mechanism options. In addition, ADMET grips can be used with all universal testing machine makes and models including Instron®, SATEC®, MTS, Tinius Olsen, and Zwick frames as long as the right adapters are used.
The manual grip setup consists of the grips and inserts and an adapter to mount the grips to the machine. The pneumatic grip setup requires additional pneumatic accessories such as pneumatic tubing, hand switches or foot pedals, and an air compressor to supply filtered, dry air for operation. This post will define each accessory and explain their role in how pneumatic grips operate.
Advantages of Pneumatic Clamping Mechanism
There are four key reasons users choose pneumatic grips:
- Secure, automatic tightening
- Adjustable, uniform pressure
- Self-aligning feature
- Clean, quick operation
The main advantage of the pneumatic mechanism is that samples are often clamped tighter, yet pressure can still be adjusted as required. Once the pressure is set, the air pressure will remain constant throughout the test. This prevents slippage while allowing testing of thinner materials that might break in the grip faces if the inserts were clamped too tight.
Test specimens can be inserted in the grips positioned symmetrically and in axial alignment with the direction of testing. This removes the bending strains that can skew data. This can be particularly useful when tests are performed in high or low temperatures using an environmental chamber where internal temperature changes need to be avoided while setting up specimens in the grips.
In addition, compared to hydraulic grips, the use of pneumatics is cleaner as pneumatics transmits power using air pressure instead of using a liquid. Consequently, setting up tests using pneumatic grips is much quicker.
Principles of Operation
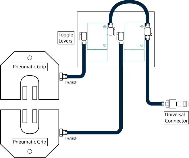
ADMET pneumatic grips come with pneumatic tubing and a universal connector that connects to all standard air compressors. Grips are opened and closed using hand switches or foot pedals.
Hand Switches

Pneumatic Hand Switch
Hand switches can be fixed on the grip or mounted on the side of the machine. Micro hand switches are fixed on the grips and can only be used with pneumatic grips with single action rods and springs such as the GP-1X.
The toggle levers that are mounted on the sides close the grip jaws by pulling the handle. Jaws remain closed until the handle is pushed back.

Switch on the pneumatic grip body

More pneumatic switches
Foot Pedals

Foot pedal for operating pneumatic grips
Foot pedals allow the operator to open or close the grip jaws while using their hands to mount and straighten the specimen between them. This results in a much quicker operation.
ADMET offers two types of food pedals. Locking foot pedals open by pressing on the foot pedal and remain opened until the pedal is pressed once again. This allows the operator to mount the specimen without having the need to keep pressing on the foot pedal. For quicker operations, we also offer non-locking foot pedals. Pneumatic grip jaws open by pressing the foot pedal and close after removing force from it. For pneumatic grips with double-action rods without springs, such as the GW-T-Ko, a special type of locking foot pedals is offered.
Pneumatic Tubing

Pneumatic tubing
All ADMET pneumatic grips and fixtures come with tubing and a universal connector to connect to any air compressor.
Below are diagrams illustrating how the grips and switches are connected, allowing the pneumatic grips to function:
Applications
Pneumatic grips can be used to test various materials such as rubber, plastics, elastomers, sheets, and medical device components. Certain testing standards will recommend grips with a pneumatic closing mechanism to ensure samples are tightened securely and uniform pressure is applied throughout the test. Example standards include:
- ASTM D412 – Standard Test Methods for Vulcanized Rubber and Thermoplastic Elastomers – Tension
- ASTM D624 – Standard Test Method for Tear Strength of Conventional Vulcanized Rubber and Thermoplastic Elastomers
- ASTM D882 – Standard Test Method for Tensile Properties of Thin Plastic Sheeting
- ASTM D2256 – Standard Test Method for Tensile Properties of Yarns by the Single-Strand Method
- ASTM D2370 – Standard Test Method for Tensile Properties of Organic Coatings
Conclusion
Pneumatic action grips have certain advantages over the manual mechanism including secure tightening and self-alignment and secure and quick operation with adjustable pressure that can also be kept uniform during testing. Based on your testing application, pneumatic action grips may or may not be needed. Contact our Sales Engineers to discuss possible options.
Instron and SATEC are trademarks of Illinois Tool Works, Inc. Products or company names other than trademarks of ADMET, Inc. are used for identification purposes only and may be trademarks of their respective owners.




